星空外围权威网

iSVD110C-48V-410-A14-001
产品中心 行星关节模组

iSVD110C-48V-410-A14-001

富兴步进电机提供高性能的两相及三相混合式步进电机,有多种尺寸和输出扭矩,单极性或双极性控制以及单轴或双轴。产品分为标准型,力矩增强型,高防护型等,可以充分满足不同用户的各种应用需求。
选件:
  • iSVD110C-48V-410-A14-001

    编码器

  • iSVD110C-48V-410-A14-001

    齿轮箱

  • iSVD110C-48V-410-A14-001

    接插件

  • iSVD110C-48V-410-A14-001

    刹车

标准使用状态

1. 额定电压: 48 VDC

2. 使用电压范围: 24V—60 VDC 

3. 额定负载(CW):20 N.m 

4. 运转方向: CW/CCW 从出轴方向看 

5. 使用姿势:出轴方向为水平或者垂直 

6. 标准使用温度:25±5℃ 

7. 使用温度范围:-20~50℃ 

8. 标准使用湿度:65% 

9. 使用湿度范围:5~85%,无凝露 

10. 保存温度范围:-30~70℃ 

11. 绝缘等级:Class B


电气特性

1. 空载转速:200 rpm±10%

2. 空载电流:2 Arms 

3. 额定负载: 20 N.m 

4. 额定负载转速:180rpm±10% 

5. 额定负载相电流(峰值):13Apk±10% 

6. 峰值负载:60 N.m 

7. 最大负载相电流(峰值):43Apk±10% 

8. 绝缘电阻/定子绕组:DC 500VAC, 100M Ohms 

9. 耐⾼压/定子与机壳: 600 VAC, 1s, 2mA 

10. 电机反电势:17Vrms/krpm±10% 

11. 转矩常数:2.36N.m/Arms 

12. T-N曲线


驱动器产品规格

项目
数据
额定⼯作电压48VDC
允许最大电压60VDC
额定⼯作相电流12Apk
最大允许相电流43Apk
待机功率≤40mA
CAN总线比特率1Mbps
尺寸Φ70mm
⼯作环境温度-20℃⾄50℃
控制板允许最大温度105℃
编码器分辨率14bit(单圈绝对值)


主要器件及规格


序号
项目
规格数量
1MCU芯⽚GD32F303RET61 PCS
2驱动芯⽚DRV8353SRTAT1PCS
3磁编码器芯⽚AS5047P2 PCS
4热敏电阻LTS00- 104J395T19E010/ NCP18XH103F03RB2 PCS
5功率MOSISC030N12NM612 PCS


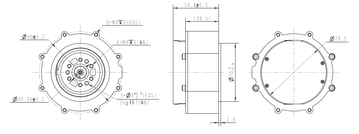
电机尺寸

image

资料下载
iSVD110C-48V-410-A14-001(3D) 88.28 KB
iSVD110C-48V-410-A14-001 385.96 KB
iSVD110C-48V-410-A14-001使用说明书250227 1.97 MB

Copyright 2023 版权所有 江苏富兴电机技术股份有限公司

信誉真人188BET体育(官方)网站/网页版登录入口/手机版登录入口-最新版(已更新) 真人雷火竞技足球大全(官方)网站/网页版登录入口/手机版登录入口-最新版(已更新) 博鱼最新外围体育(官方)网站/网页版登录入口/手机版登录入口-最新版(已更新) 真人十大PM娱乐城入口(官方)网站/网页版登录入口/手机版登录入口-最新版(已更新) 半岛最火靠谱网址(官方)网站/网页版登录入口/手机版登录入口-最新版(已更新) 网络正规朗驰娱乐(官方)网站/网页版登录入口/手机版登录入口-最新版(已更新) 朗驰娱乐盘口导航(官方)网站/网页版登录入口/手机版登录入口-最新版(已更新) 雷火竞技足球官网(官方)网站/网页版登录入口/手机版登录入口-最新版(已更新)