星空外围权威网

FL28STC
产品中心 内置接插件型步进电机

FL28STC

1.8° 28mm, Nema 11, STC结构内藏接插件式步进电机
选件:
  • FL28STC

    编码器

  • FL28STC

    齿轮箱

  • FL28STC

    接插件

  • FL28STC

    刹车

特性概要(General specification)

项目(Item)

说明(Specifications)

步距角(Step Angle)

1.8°

步距角精度(Step Angle Accuracy)

±5% (整步无负载,full step, no load)

径向间隙( Radial Play)

0.02mm@400 g

轴向间隙( Axial Play)

0.08mm@400 g

最大径向负载(Max. radial force)

28N  距法兰5mm  (5mm from the flange)

最大轴向负载(Max. axial force)

7N  

介电强度(Dielectric Strength)

600VAC / 1S

绝缘电阻(Insulation Resistance)

100MΩ ,500VDC

环境温度(Ambient Temperature)

-20。C~+50。C

绝缘等级(Insulation Class)

Class B

 

电性能(Electrical specifications)

型号(Model No.)

Current

/Phase

每相

电流

Resistance

/Phase

每相

电阻

Inductance

/Phase

每相

电感

Holding

Torque

保持

转矩

Detent

Torque

定位

转矩

# of Leads

引出线数

Rotor

Inertia

转动惯量

Weight

重量

Length

机身

长度

Single shaft(单出轴)

A

Ω

mH

N.m

N.m

#

g-cm2

kg

mm

FL28STC32-0674A

0.67

5.6

4.0

0.065

0.005

4

9

0.11

32±1

FL28STC32-0956A

0.95

2.8

1.0

0.050

0.005

6

9

0.11

32±1

FL28STC40-0674A

0.67

6.8

4.8

0.097

0.006

4

12

0.14

40±1

FL28STC40-0956A

0.95

3.4

1.2

0.075

0.006

6

12

0.14

40±1

FL28STC51-0674A

0.67

9.2

5.6

0.120

0.008

4

18

0.20

51.5±1

FL28STC51-0956A

0.95

4.6

1.45

0.090

0.008

6

18

0.20

51.5±1

 

该款电机可以根据客户需求定制。

The motor can be designed &manufactured with customized request.


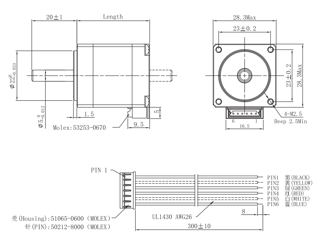
电机尺寸

image


接线图(Wiring Diagram)

  image

矩频曲线 (Pull out torque curve)

image

image


资料下载
FL28STC32-0956A 200.3 KB
FL28STC32-0674A 197.08 KB
FL28STC40-0674A 197.1 KB
FL28STC40-0956A 200.02 KB
FL28STC51-0674A 200.43 KB
FL28STC51-0956A 200.45 KB

Copyright 2023 版权所有 江苏富兴电机技术股份有限公司

信誉真人188BET体育(官方)网站/网页版登录入口/手机版登录入口-最新版(已更新) 真人雷火竞技足球大全(官方)网站/网页版登录入口/手机版登录入口-最新版(已更新) 博鱼最新外围体育(官方)网站/网页版登录入口/手机版登录入口-最新版(已更新) 真人十大PM娱乐城入口(官方)网站/网页版登录入口/手机版登录入口-最新版(已更新) 半岛最火靠谱网址(官方)网站/网页版登录入口/手机版登录入口-最新版(已更新) 网络正规朗驰娱乐(官方)网站/网页版登录入口/手机版登录入口-最新版(已更新) 朗驰娱乐盘口导航(官方)网站/网页版登录入口/手机版登录入口-最新版(已更新) 雷火竞技足球官网(官方)网站/网页版登录入口/手机版登录入口-最新版(已更新)