星空外围权威网

FL36CBL
产品中心 经济型无刷电机

FL36CBL

Φ36mm 经济型无刷电机,24VDC, 4800RPM
选件:
  • FL36CBL

    编码器

  • FL36CBL

    齿轮箱

  • FL36CBL

    接插件

  • FL36CBL

    刹车

特性概要 ( General Specifications )

绕组连接方式 ( Winding Type )

星形 ( Star connection)

霍尔分布角度 ( Hall Effect Angle )

120度电角度 ( Electrical Angle of 120 degree)

径向间隙 ( Radial Play )

0.02mm@450g

轴向间隙 ( Axial Play )

0.08mm@450g

最大径向负载 ( Max radial force )

15N  距法兰10mm ( 10mm From the flange)

最大轴向负载 ( Max axial force )

10N

介电强度 ( Dielectric Strength )  

600VAC/1S

绝缘电阻 ( Insulation Resistance )

100MΩ, 500VDC

环境温度 ( Ambient Temperature )

-20°C   ~   +50°C

绝缘等级 (Insulation Class)

Class B 


接线说明(Electric Connection)

引出线型号Type

引出线颜色Color

功能Functions

UL1430 AWG26

红色  ( Red )

霍尔电源正  ( Vcc )


蓝色  ( Blue )

霍尔 U ( Hu )


绿色  ( Green )

霍尔 V ( Hv )


白色  ( White )

霍尔 W ( Hw )


黑色  ( Black )

霍尔电源负 ( GND )

UL1430 AWG24

黄色  ( Yellow )

U相 ( Phase U )


棕色  (Brown )

V相 ( Phase V )


橙色  ( Orange)

W相 ( Phase W )


电性能 (Electrical Specifications)            


单 位 (Unit)

FL36CBL30-24V-488A-02

FL36CBL40-24V-4818A-01

FL36CBL50-24V-4828A

FL36CBL57-24V-4533A

FL36CBL60-24V-4840A

FL36CBL65-24V-4845A

极数  ( Number of poles )


8

相数  ( Number of phases )


3

额定电压( Rated  voltage )

VDC

24

额定转矩 ( Rated torque)

mN.m

15

35

55

70

80

90

连续运行转矩

( Continuous stall torque)

mN.m

18

42

66

84

96

108

额定速度 ( Rated speed )

RPM

4800

4800

4800

4500

4800

4800

额定功率 ( Rated power )

W

8

18

28

33

40

45

峰值转矩 ( Peak torque )

mN.m

45

105

165

210

240

270

峰值电流 ( Peak current

A

1.3

2.7

4.3

5.3

6

6.8

线电阻 ( Line to line resistance )

ohms@20℃

5.2

2

1.2

1.05

0.95

0.88

线电感

( Line to line inductance )

mH

3.3

1.9

1.2

1

0.85

0.8

转矩常数 ( Torque constant )

mN.m/A

36

40

39

40

40

40

反电势 ( Back EMF )

Vrms/KRPM

2.7

3

2.9

3

3

3

转动惯量 ( Rotor inertia )

g.cm2

6

12

22

27

30

32

机身长度 ( Motor length )  L

mm

30

40

50

57

60

65

重量 ( Weight )               

Kg

0.12

0.16

0.23

0.25

0.27

0.28


该款电机可以根据客户需求定制。

The motor can be designed &manufactured with customized request.


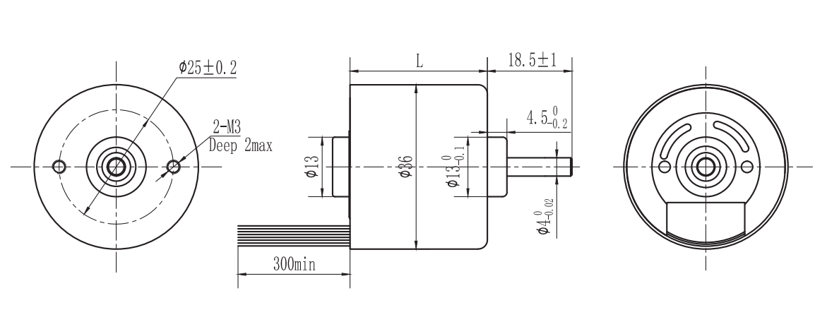
电机尺寸

image

资料下载
FL36CBL30-24V-488A-02 190.32 KB
FL36CBL50-24V-4828A 192.24 KB
FL36CBL40-24V-4818A-01 689.71 KB
FL36CBL57-24V-4533A 189.11 KB
FL36CBL60-24V-4840A 193.65 KB
FL36CBL65-24V-4845A 194.64 KB

Copyright 2023 版权所有 江苏富兴电机技术股份有限公司

信誉真人188BET体育(官方)网站/网页版登录入口/手机版登录入口-最新版(已更新) 真人雷火竞技足球大全(官方)网站/网页版登录入口/手机版登录入口-最新版(已更新) 博鱼最新外围体育(官方)网站/网页版登录入口/手机版登录入口-最新版(已更新) 真人十大PM娱乐城入口(官方)网站/网页版登录入口/手机版登录入口-最新版(已更新) 半岛最火靠谱网址(官方)网站/网页版登录入口/手机版登录入口-最新版(已更新) 网络正规朗驰娱乐(官方)网站/网页版登录入口/手机版登录入口-最新版(已更新) 朗驰娱乐盘口导航(官方)网站/网页版登录入口/手机版登录入口-最新版(已更新) 雷火竞技足球官网(官方)网站/网页版登录入口/手机版登录入口-最新版(已更新)