标准使用状态
1. 额定电压: 36 VDC
2. 使用电压范围: 24V—50 VDC
3. 额定负载(CW):6 N.m
4. 运转方向: CW/CCW 从出轴方向看
5. 使用姿势:出轴方向为⽔平或者垂直
6. 标准使用温度:25±5℃
7. 使用温度范围:-20~50℃
8. 标准使用湿度:65%
9. 使用湿度范围:5~85%,无凝露
10. 保存温度范围:-30~70℃
11. 绝缘等级:Class
电气特性:
1. 空载转速:315 rpm±10%
2. 空载电流:0.5 Arms
3. 额定负载: 6 N.m
4. 额定负载转速:275rpm±10%
5. 额定负载相电流(峰值):7Apk±10%
6. 峰值负载:17 N.m
7. 最⼤负载相电流(峰值):23Apk±10%
8. 绝缘电阻/定子绕组:DC 500VAC, 100M Ohms
9. 耐⾼压/定子与机壳: 600 VAC, 1s, 2mA
10. 电机反电势:0.096Vrms/rpm±10%
11. 转矩常数:1.22N.m/Arms
12. T-N曲线 (36V)
驱动器产品规格
| 项目 | 数据 |
| 额定⼯作电压 | 36VDC |
| 允许最⼤电压 | 50VDC |
| 额定⼯作相电流 | 7Apk |
| 最⼤允许相电流 | 23Apk |
| 待机功率 | ≤18mA |
| CAN总线⽐特率 | 1Mbps |
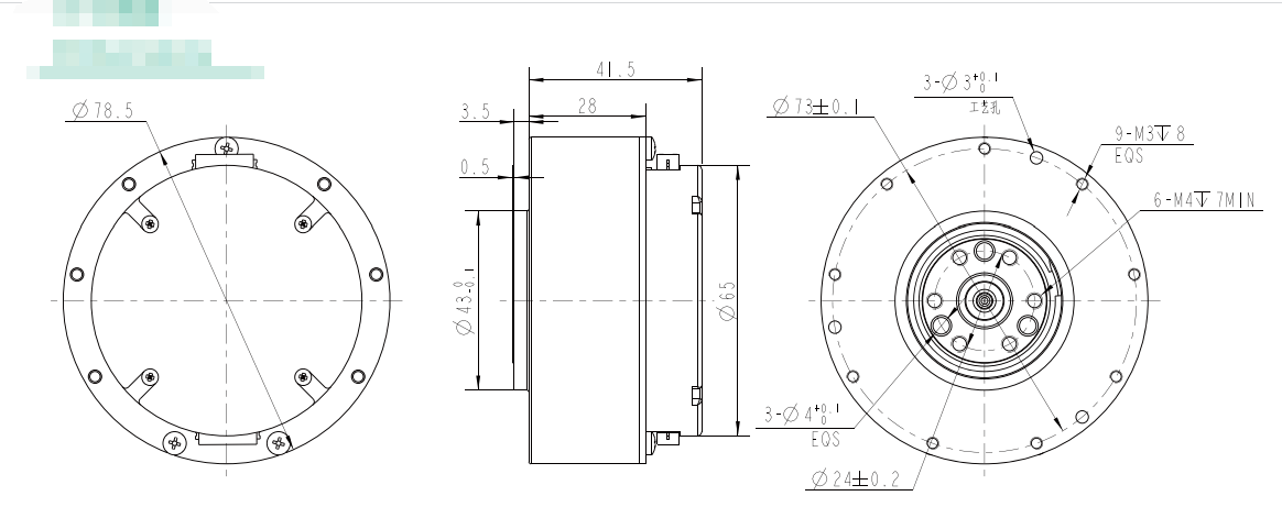
| 尺⼨ | Φ58mm |
| ⼯作环境温度 | -20℃⾄50℃ |
| 控制板允许最⼤温度 | 105℃ |
| 编码器分辨率 | 14bit(单圈绝对值) |
驱动器接口推荐品牌及型号
| 板端型号 | 品牌⼚家 | 线端型号 | 品牌⼚家 |
| XT30PB(2+2)-M.G.B | AMASS(艾迈斯) | XT30(2+2)-F.G.B | AMASS(艾迈斯) |
主要器件及规格
| 序号 | 项目 | 规格 | 数量 |
| 1 | MCU芯⽚ | GD32F303RGT6 | 1 PCS |
| 2 | 驱动芯⽚ | 6EDL7141 | 1 PCS |
| 3 | 磁编码器芯⽚ | AS5047P | 1 PCS |
| 4 | 热敏电阻 | NXFT15XH103FEAB021/NCP18XH103F03RB | 2 PCS |
| 5 | 功率MOS | JMGG031V06A | 6 PCS |

Copyright 2023 版权所有 江苏富兴电机技术股份有限公司