星空外围权威网

FL102HSV
产品中心 无框电机

FL102HSV

Φ102mm无框电机,48VDC
选件:
  • FL102HSV

    编码器

  • FL102HSV

    齿轮箱

  • FL102HSV

    接插件

  • FL102HSV

    刹车

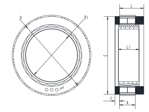
项目(Items)

FL102HSV14

公差(Tolerance)

定子外径D

102mm

±0.043(js9)

定子长度L

23mm

±1

转子内径D1

63mm

(+0.027/0)H8

转子长度L1

18mm

±0.2

灌胶面外圆E

99mm

/

灌胶面高度F

5.5mm

±0.5

定子铁芯高度A

14mm

/


特性概要 ( General Specifications )

绕组连接方式

( Winding Type )

星形 ( Star connection)

介电强度

( Dielectric Strength ) 

1000VAC/1S.2mA

绝缘电阻

 ( Insulation Resistance )

100MΩ, 500VDC

环境温度

( Ambient Temperature )

-20°C   ~   +50°C

绝缘等级

(Insulation Class)

Class B


接线说明(Electric Connection)

引出线颜色

Color

引出线型号

Type

功能

Functions

黄色  ( Yellow )

UL1332   AWG16

U (   Phase U )

红色  ( Red )

V (   Phase V )

黑色  ( Black)

W (   Phase W )


电性能 (Electrical Specifications)


(Unit)

FL102HSV14-48V-20530

极数  ( Number   of poles )


20

相数  ( Number   of phases )


3

额定电压 ( Rated    voltage )        

VDC

48

额定转矩 ( Rated torque)       

N.m

2.5

额定电流(Rated current)                

A

15.8

额定速度 ( Rated speed )        

RPM

2000

额定功率 ( Rated power )        

W

523

最大转速(Maximum speed)              

RPM

3100

峰值转矩 ( Peak torque )         

N.m

7.5

峰值电流 ( Peak current )        

A

44.4

线电阻 ( Line to line resistance )             

ohms@20

0.154

线电感 ( Line to line inductance )             

mH 

0.54

转矩常数 ( Torque constant )        

Nm/A

0.184

反电势 ( Back EMF )          

Vrms/KRPM

11.1

重量 ( Weight )              

g

608

电气时间常数(Electrical time constant)   

ms

3.51

根据要求,该款电机可以设计和制造成定制的类型。
电机尺寸

image

资料下载

Copyright 2023 版权所有 江苏富兴电机技术股份有限公司

信誉真人188BET体育(官方)网站/网页版登录入口/手机版登录入口-最新版(已更新) 真人雷火竞技足球大全(官方)网站/网页版登录入口/手机版登录入口-最新版(已更新) 博鱼最新外围体育(官方)网站/网页版登录入口/手机版登录入口-最新版(已更新) 真人十大PM娱乐城入口(官方)网站/网页版登录入口/手机版登录入口-最新版(已更新) 半岛最火靠谱网址(官方)网站/网页版登录入口/手机版登录入口-最新版(已更新) 网络正规朗驰娱乐(官方)网站/网页版登录入口/手机版登录入口-最新版(已更新) 朗驰娱乐盘口导航(官方)网站/网页版登录入口/手机版登录入口-最新版(已更新) 雷火竞技足球官网(官方)网站/网页版登录入口/手机版登录入口-最新版(已更新)