星空外围权威网

FL100BLG
产品中心 高性能防水无刷电机

FL100BLG

100mm高性能防水无刷电机,IP65, F级绝缘,伺服结构
选件:
  • FL100BLG

    编码器

  • FL100BLG

    齿轮箱

  • FL100BLG

    接插件

  • FL100BLG

    刹车

特性概要 ( General Specifications )

绕组连接方式 ( Winding Type )

星形 ( Star connection )

径向负载 ( Max radial force )

490N @ 20mm from the flange

轴向负载 ( Max axial force )

196N

绝缘等级 (Insulation Class)

Class B

防护等级 (Protection level)

IP65

使用环境温度 (Temperature)  

-20℃~ +50℃

使用环境湿度 (Relative humidity)

≤90%RH (无凝露)( No dewing)

存储环境 (Storage Condition)

-20℃~ +85℃,≤85%RH (无凝露)( No dewing)

安装环境(Installation environment)

远离腐蚀、可燃性气体,油滴,灰尘,

海拔≤1000m  Far away active gas,

Combustible gas, oil drop, ash


接线说明(Electric Connection)


Pin No

引出线型号Type

引出线颜色Color

功能Functions

5

UL1332 AWG26 

绿色  ( Green )

霍尔电源正  ( Vcc )

1


黄色  ( Yellow )

霍尔 U ( Hu )

2


棕色  ( Brown )

霍尔 V ( Hv )

3


灰色  ( Gray )

霍尔 W ( Hw )

4


蓝色  ( Blue )

霍尔电源负 ( GND )

1

具体规格见图纸定义

黄色  ( Yellow )

U相 ( Phase U )

2


红色  ( Red)

V相 ( Phase V )

3


黑色  ( Black )

W相 ( Phase W )



电机技术性能 (Motor Technical Specification)


单 位 (Unit)

FL100BLG10

FL100BLG15

极数  ( Number of poles )


10

相数  ( Number of phases )


3

额定电压 ( Rated  voltage ) 

VDC

310

48

310

48

额定转矩 ( Rated torque)

N.m

3.18

3.18

4.77

4.77

连续运行转矩 ( Continuous stall torque)

N.m

3.81

3.81

5.72

5.72

额定速度 ( Rated speed )  

RPM

3000

3000

3000

3000

额定功率 ( Rated power ) 

W

1000

1000

1500

1500

峰值转矩 ( Peak torque )

N.m

7

7

10.5

10.5

峰值电流 ( Peak current ) 

A

13.7

84.3

20.6

121

线电阻 ( Line to line resistance )              

ohms@20℃ 

0.82

0.022

0.54

0.015

线电感 ( Line to line inductance )

mH  

7.4

0.2

5.2

0.15

转矩常数 ( Torque constant ) 

Nm/A

0.51

0.083

0.51

0.087

反电势 ( Back EMF )

Vrms/KRPM

38

6.18

38

6.48

转动惯量 ( Rotor inertia ) 

kg.cm2

1.3

1.3

1.84

1.84

机身长度 ( Motor length )       L

mm

137

142

159

164

重量 ( Weight )

kg

3.73

3.8

4.7

4.8




该款电机可以根据客户需求定制。

The motor can be designed &manufactured with customized request.


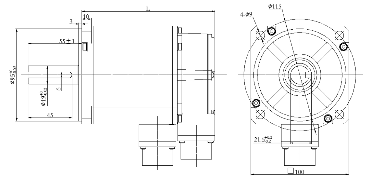
电机尺寸

image

资料下载

Copyright 2023 版权所有 江苏富兴电机技术股份有限公司

信誉真人188BET体育(官方)网站/网页版登录入口/手机版登录入口-最新版(已更新) 真人雷火竞技足球大全(官方)网站/网页版登录入口/手机版登录入口-最新版(已更新) 博鱼最新外围体育(官方)网站/网页版登录入口/手机版登录入口-最新版(已更新) 真人十大PM娱乐城入口(官方)网站/网页版登录入口/手机版登录入口-最新版(已更新) 半岛最火靠谱网址(官方)网站/网页版登录入口/手机版登录入口-最新版(已更新) 网络正规朗驰娱乐(官方)网站/网页版登录入口/手机版登录入口-最新版(已更新) 朗驰娱乐盘口导航(官方)网站/网页版登录入口/手机版登录入口-最新版(已更新) 雷火竞技足球官网(官方)网站/网页版登录入口/手机版登录入口-最新版(已更新)